| штат: | |
|---|---|
| Количество: | |
Sinopak
Знакомство с продуктом – Принцип
Введение в продукт – концепция дизайна
Знакомство с продуктом – Состав
Знакомство с продуктом – Режимы
Ключевые технологии
В основе блока питания лежит преобразователь тока IGBT, который преобразует постоянное напряжение в переменное напряжение и управляет частотой, амплитудой и фазой переменного напряжения для достижения функций регулирования и фильтрации выходной реактивной мощности для всего устройства.
Устройство реализации комплексной системы управления и защиты шкафа управления должно обеспечивать быструю проверку и расчет мощности реактивной мощности, тем самым запуская генерацию и распределение импульсов, а также реализуя многоуровневую и ступенчатую защиту комплекса оборудования.
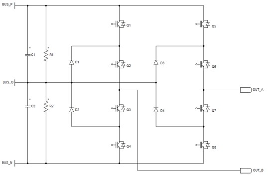
Характерная инновация – трехуровневая каскадная топология типа I
Топология трехуровневого H-моста типа I
Пятиуровневая форма выходного сигнала трехуровневого H-моста типа I.
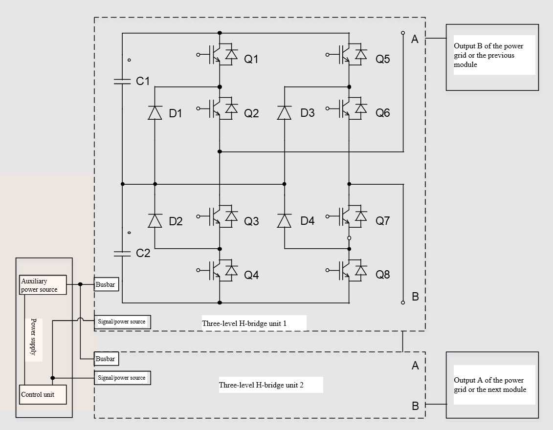
Характерное новшество – структура силового агрегата
Один модуль находится в сдвоенном блоке Конструктивное решение «два в одном». Отличие от обычного доступные на рынке устройства «два в одном», в них используется одна главная плата управления для достижения выходного каскадного управления двух трехуровневых полных мостов типа I.
Топология структуры силового модуля
Характерные инновации – структурные преимущества и инновации
Характерная инновация – ведущая система управления
Планирование продукта
Знакомство с продуктом – Принцип
Введение в продукт – концепция дизайна
Знакомство с продуктом – Состав
Знакомство с продуктом – Режимы
Ключевые технологии
В основе блока питания лежит преобразователь тока IGBT, который преобразует постоянное напряжение в переменное напряжение и управляет частотой, амплитудой и фазой переменного напряжения для достижения функций регулирования и фильтрации выходной реактивной мощности для всего устройства.
Устройство реализации комплексной системы управления и защиты шкафа управления должно обеспечивать быструю проверку и расчет мощности реактивной мощности, тем самым запуская генерацию и распределение импульсов, а также реализуя многоуровневую и ступенчатую защиту комплекса оборудования.
Характерная инновация – трехуровневая каскадная топология типа I
Топология трехуровневого H-моста типа I
Пятиуровневая форма выходного сигнала трехуровневого H-моста типа I.
Характерное новшество – структура силового агрегата
Один модуль находится в сдвоенном блоке Конструктивное решение «два в одном». Отличие от обычного доступные на рынке устройства «два в одном», в них используется одна главная плата управления для достижения выходного каскадного управления двух трехуровневых полных мостов типа I.
Топология структуры силового модуля
Характерные инновации – структурные преимущества и инновации
Характерная инновация – ведущая система управления
Планирование продукта
STATCOM с воздушным охлаждением или с водяным охлаждением: какой из них лучше для вашего проекта?
Как правильно выбрать STATCOM с воздушным охлаждением для вашей электросети?
Каковы преимущества STATCOM с воздушным охлаждением для промышленного применения?
Почему вам следует выбрать STATCOM с воздушным охлаждением для вашей энергосистемы?